两个通道
自由可编程测量范围
两个点可能进行独立测量
测量简单准确,维护最少
双通道自动补偿
可以将转换器单元放置在距离采样点较远的地方
最远可达100米
与外部设备的通信
电隔离电流输出0-5/4-20/0-20毫安
RS-485端口
带干接触输出的可编程设定点
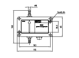
坚固的IP65外壳
该装置能够可靠地防尘和防潮
背光显示屏幕
便捷的数据展示格式和易于设置
使用寿命——至少10年
故障间隔时间 - 40,000小时

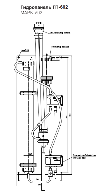
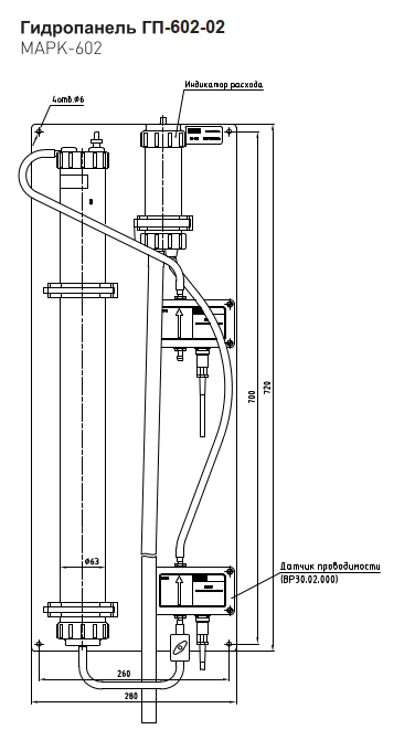
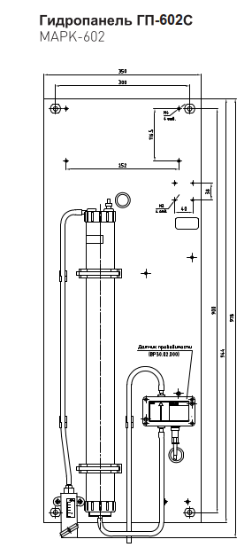
电导率一体探头

水力学面板/多种



转载请注明: 北京德尔斐科技发展有限公司 » Mark-602双通道电导率分析仪